产品中心
ALM 系列
ALM系列为无铁芯直线电机,无齿槽力,宽度小,重量轻,响应快,适用于对推力要求不高,响应快的应用
下载附件:
技术参数
  • 产品介绍
  • 规格参数
  • 尺寸图
  • 订购信息

设计特点:

 

A.无铁芯技术

B.无齿槽力

C.宽度小

D.重量轻

E.响应快


ALM1

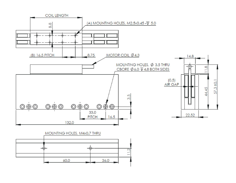
电机线圈线圈长度 (mm)持续推力 (N) @100℃峰值推力 (N)
ALM1-S1

34.0

5.527.3
ALM1-S267.010.9
54.7
ALM1-S3100.016.482.0
ALM1-S4133.021.9109.4

 

电机磁轨磁轨长度 (mm)
ALM1-TL132132
ALM1-TL198198
ALM1-TL231231
ALM1-TL297297
ALM1-TL594594

 

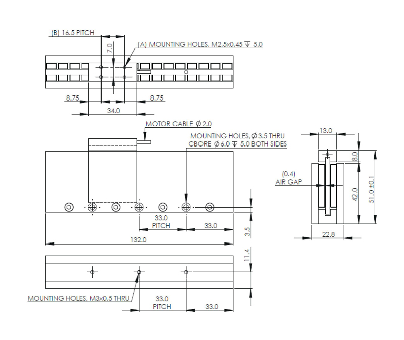
ALM2

电机线圈线圈长度 (mm)持续推力 (N) @100℃峰值推力 (N)
ALM2-S170.017.085.1
ALM2-S2130.034.0170.2
ALM2-S3190.051.1255.3
ALM2-S4250.068.1340.4

 

电机磁轨磁轨长度 (mm)
ALM2-TL120119.7
ALM2-TL180179.7
ALM2-TL240239.7
ALM2-TL300299.7
ALM2-TL540539.7

 

ALM3

电机线圈线圈长度 (mm)持续推力 (N) @100℃峰值推力 (N)
ALM3-S176.018.050.5
ALM3-S2148.036.1101.0
ALM3-S3220.054.1151.6
ALM3-S4292.072.2202.1

 

电机磁轨磁轨长度 (mm)
ALM3-TL144143.5
ALM3-TL216215.5
ALM3-TL360359.5
ALM3-TL504503.5

 

ALM4

电机线圈线圈长度 (mm)持续推力 (N) @100℃峰值推力 (N)
ALM4-S194.042.4141.3
ALM4-S2178.084.8282.7
ALM4-S3262.0127.2424.0
ALM4-S4346.0169.6565.4

 

电机磁轨磁轨长度 (mm)
ALM4-TL168167.5
ALM4-TL252251.5
ALM4-TL420419.5
ALM4-TL588587.5

 

ALM12

电机线圈线圈长度 (mm)持续推力 (N) @100℃峰值推力 (N)
ALM12-S167.010.541.9
ALM12-S2133.021.083.8
ALM12-S3199.031.4125.8
ALM12-S4265.041.9167.7

 

电机磁轨磁轨长度 (mm)
ALM12-TL132132
ALM12-TL198198
ALM12-TL231231
ALM12-TL297297
ALM12-TL594594


ALM1

ALM2

 

ALM3

 

ALM4

 

ALM12


                 

                                    alm1.jpgalm2.jpgalm3.jpgalm4.jpgalm5.jpg                                

相关产品
AWM系列
相关产品
AJM系列
相关产品
AKD-A
在线留言
如果您有任何的建议或意见
请联系我们
cust-service@akribis-sys.cn
+86 21 58595800
留言