产品中心
AXM系列
AXM和AXD结构类似,但体积更小,结构更紧凑,转速更高。
下载附件:
技术参数
  • 产品介绍
  • 规格参数
  • 尺寸图
  • 订购信息

设计特点

A. 紧凑设计

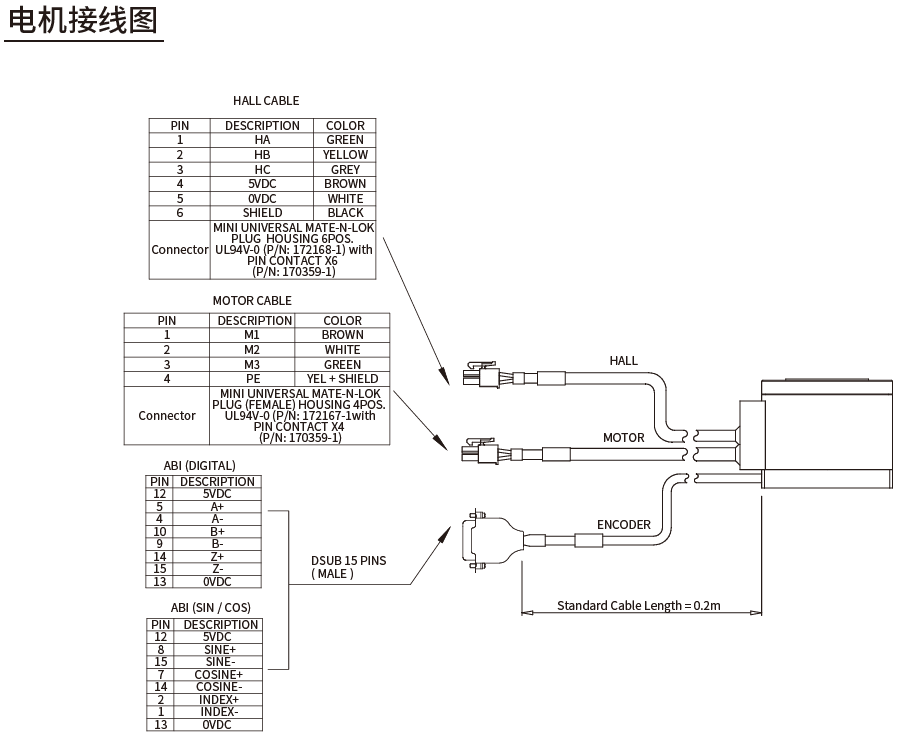
B. 直驱无刷电机无中孔

C. 集成编码器和轴承

D. 低齿槽转矩

E. 可选低速绕组或高速绕组

F. 高扭矩密度

G. 内置高精度光栅尺

电机规格外径高度中孔最高转速重复定位精度转动惯量
(mm)(mm)(mm)(rpm)(arc sec)(kg·m2)

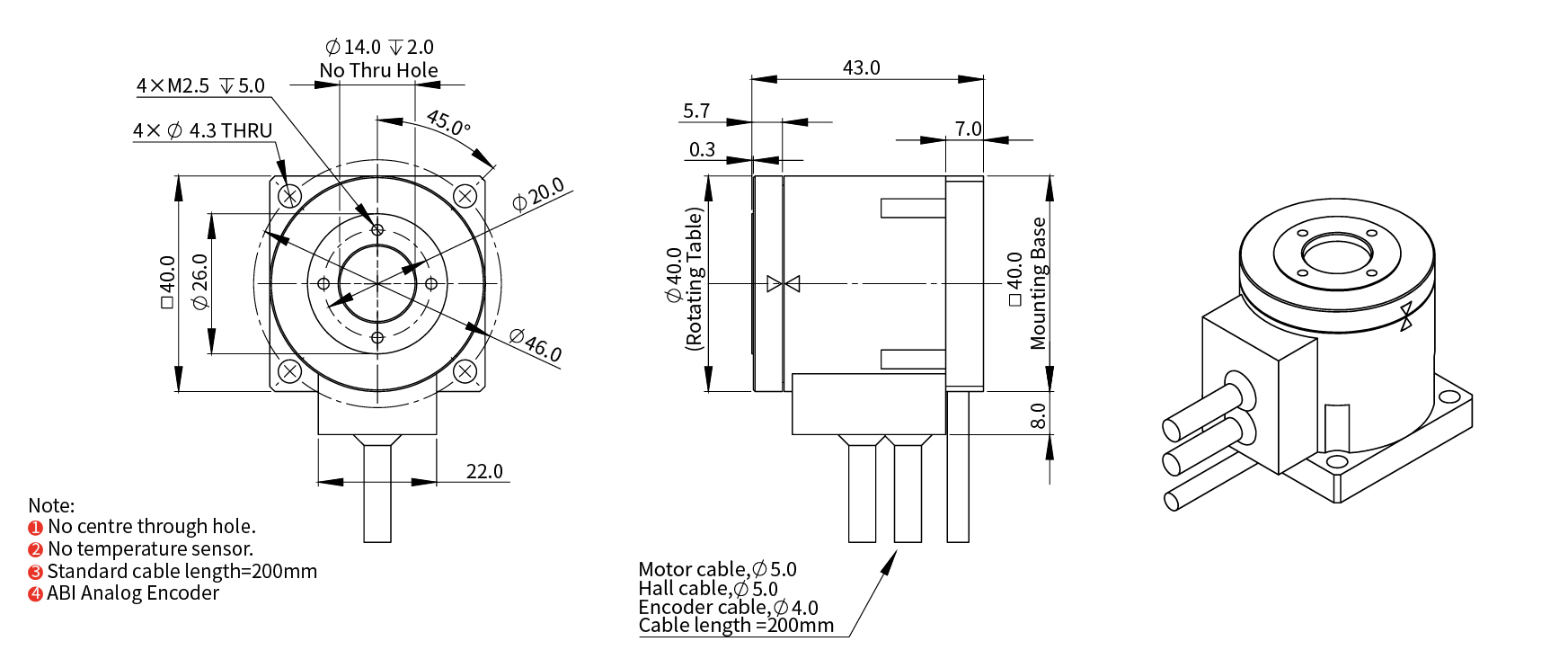
AXM40-43

40

43

-

5000

+/-10

1.18E-05

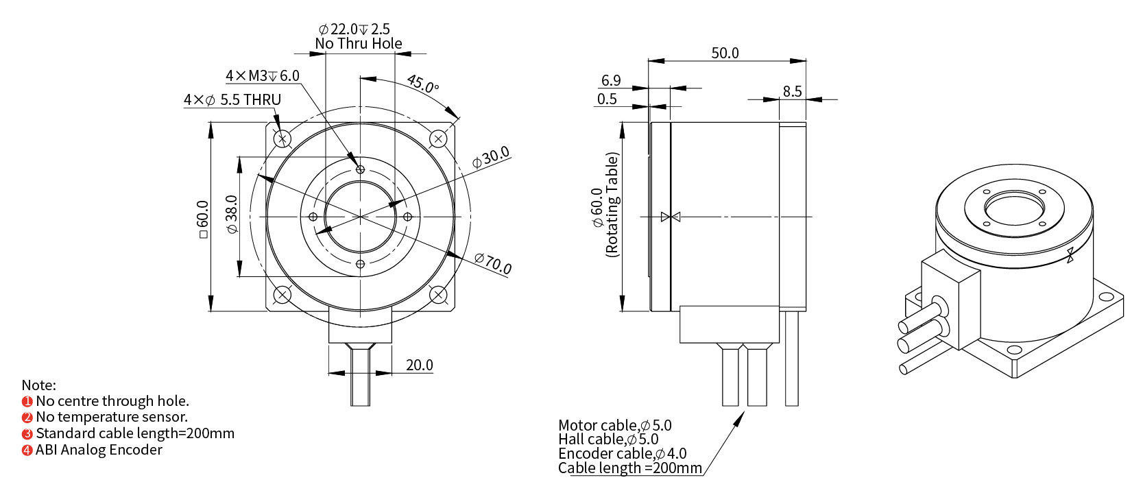
AXM60-50

60

50

-

3500

+/-10

7.38E-05

注:

①测量基于ABI增量式光学编码器(SIN/COS,4096x),标准端跳等级。

②测量基于ABI增量式光学编码器(SIN/COS,4096x),标准端跳等级。

相关参数规格如有变动,恕不另行通知。

AXM40-43

AXM40-43-01.jpg

AXM60-50AXM60-50-01.jpg

                               

image.png

                              image.png                                      

相关产品
ADR-B系列
相关产品
ADR-F系列
相关产品
ACW系列
相关产品
ADR-H系列
相关产品
ADR-C系列
在线留言
如果您有任何的建议或意见
请联系我们
cust-service@akribis-sys.cn
+86 21 58595800
留言