产品中心
RDM-A系列
紧凑结构,充分利用磁场,无铁芯,无齿槽力,同一磁轨上可选多个动子
下载附件:
技术参数
  • 产品介绍
  • 规格参数
  • 尺寸图
  • 订购信息

设计特点:

 

A.紧凑结构

B.充分利用磁场

C.无铁芯,无齿槽力

D.同一磁轨上可选多个动子


RDM020-A

电机线圈线圈长度(mm)持续推力(N)峰值推力(N)
RDM020-A-B231.02.16.2
RDM020-A-B346.03.19.3
RDM020-A-B461.04.112.4


电机磁轨磁轨长度(mm)
RDM020-A-TL160160.0
RDM020-A-TL235235.0
RDM020-A-TL325325.0



RDM030-A

电机线圈线圈长度(mm)持续推力(N)峰值推力(N)
RDM030-A-B261.012.437.2
RDM030-A-B391.018.655.8
RDM030-A-B4121.024.874.5


电机磁轨磁轨长度(mm)
RDM030-A-TL332331.4
RDM030-A-TL422421.4
RDM030-A-TL512511.4


RDM050-A

电机线圈线圈长度(mm)持续推力(N)峰值推力(N)
RDM050-A-B356.825.877.4
RDM050-A-B594.043.0129.0
RDM050-A-B7131.260.2180.6


电机磁轨磁轨长度(mm)
RDM050-A-TL151151.0
RDM050-A-TL337337.0
RDM050-A-TL523523.0
RDM050-A-TL709709.0
RDM050-A-TL895895.0


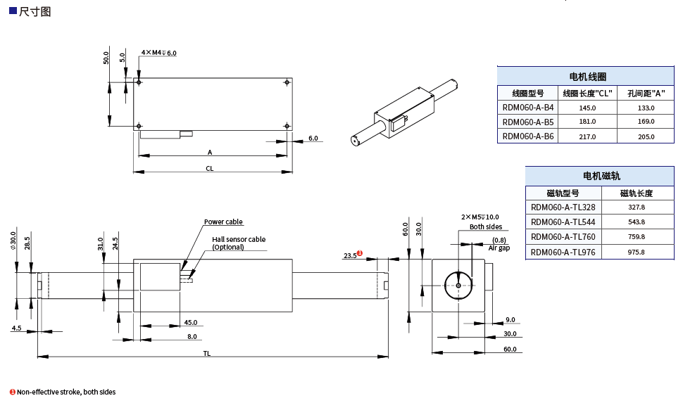
RDM060-A

电机线圈线圈长度(mm)持续推力(N)峰值推力(N)
RDM060-A-B4145.091.9275.6
RDM060-A-B5181.0114.8344.5
RDM060-A-B6217.0137.8413.4


电机磁轨磁轨长度(mm)
RDM060-A-TL328327.8
RDM060-A-TL544543.8
RDM060-A-TL760759.8
RDM060-A-TL976975.8


RDM020-A

image.png

RDM030-A

image.png

RDM050-A

image.png

RDM060-A

image.png

RDM020-A

image.png



RDM030-A

image.png


RDM050-A


image.png


RDM060-A

image.png

在线留言
如果您有任何的建议或意见
请联系我们
cust-service@akribis-sys.cn
+86 21 58595800
留言