设计特点
A. 紧凑型设计
B. 防蠕动交叉滚子导轨
C. 直驱技术
D. 高精度光学编码器
E. 可叠加使用
电机参数 | 单位 | AML110-25 | AML110-50 | AML110-75 | AML110-100 | AML110-150 | |||||
电机型号 | - | CLA0010-025 | CLA0010-025 | CLA0010-025 | CLA0010-025 | CLA0010-025 | |||||
持续推力@100°C ① | N | 17.1 | 17.1 | 17.1 | 17.1 | 17.1 | |||||
峰值推力 | N | 51.3 | 51.3 | 51.3 | 51.3 | 51.3 | |||||
力常数 ±10% | N/Arms | 8.6 | 8.6 | 8.6 | 8.6 | 8.6 | |||||
反电势常数 ±10% | Vpeak/(m/s) | 7.0 | 7.0 | 7 | 7.0 | 7.0 | |||||
相间电阻 @25°C ±10% ② | Ω | 5.2 | 5.2 | 5.2 | 5.2 | 5.2 | |||||
相间电感 ±30% ③ | mH | 1.8 | 1.8 | 1.8 | 1.8 | 1.8 | |||||
持续电流(自冷) @100°C ① | Arms | 2.0 | 2.0 | 2.0 | 2.0 | 2.0 | |||||
峰值电流 | Arms | 6.0 | 6.0 | 6.0 | 6.0 | 6.0 | |||||
最高电压 | Vdc | 48.0 | 48.0 | 48.0 | 48.0 | 48.0 | |||||
机械参数 | 单位 | AML110-25 | AML110-50 | AML110-75 | AML110-100 | AML110-150 | |||||
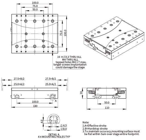
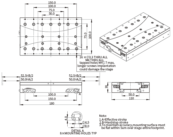
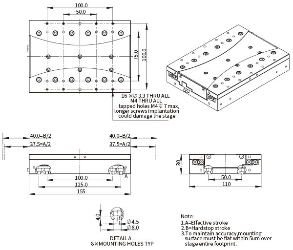
行程 | mm | 25 | 50 | 75 | 100 | 150 | |||||
分辨率 | μm | 0.05 | 0.2 | 0.05 | 0.2 | 0.05 | 0.2 | 0.05 | 0.2 | 0.05 | 0.2 |
重复定位精度 | μm | ±0.5 | ±0.5 | ±0.5 | ±0.5 | ±0.5 | |||||
水平直线度 | μm | ±2.0 | ±2.0 | ±3.0 | ±3.0 | ±3.0 | |||||
垂直直线度 | μm | ±2.0 | ±2.0 | ±3.0 | ±3.0 | ±3.0 | |||||
额定负载 ④ | kg | 6.0 | 7.0 | 8.0 | 10.0 | 14.0 | |||||
空载运动质量 | kg | 0.6 | 0.7 | 0.9 | 1.0 | 1.2 | |||||
空载总质量 | kg | 1.1 | 1.4 | 1.6 | 1.9 | 2.3 | |||||
最大容许侧倾力矩 | Nm | 3.6 | 4.1 | 4.7 | 5.7 | 6.7 | |||||
最大容许俯仰力矩 | Nm | 3.1 | 4.2 | 6 | 8.6 | 12.0 | |||||
最大容许横摆力矩 | Nm | 3.1 | 4.2 | 6 | 8.6 | 12.0 |
注:
1 测量环境温度为26°C,数值取决于热环境。
2 电阻测量采用直流电流,含0.5米标准线缆。
3 电感是通过1kHZ的电流频率来测量的。
4 在无悬臂的情况下,模组的负载能力。
相关参数规格如有变动,恕不另行通知。
AML110-25
AML110-50
AML110-75
AML110-100
AML110-150